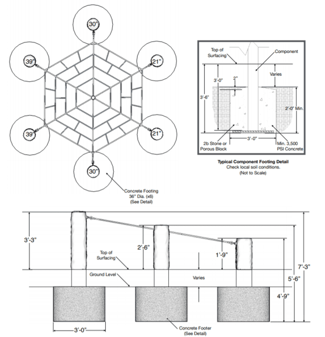
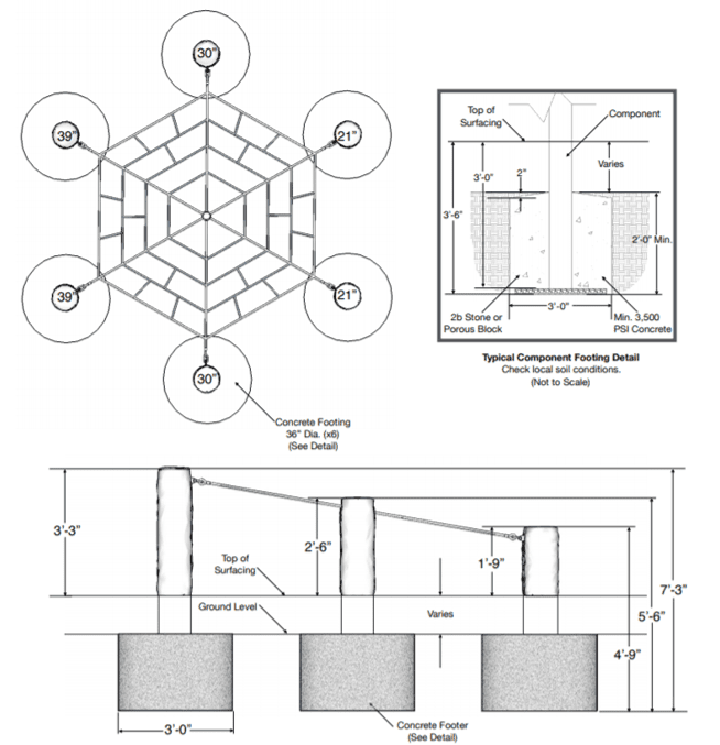
Description
Our giant Spider Web Climber held up with Log Stumps allows kids to scale across the web like a giant insect. Crawl across the top or dangle from the bottom as you discover all the fun ways to play on this climber!
Spider Web Playground Equipment Cost Only


